Welcome to Changzhou Kainar Electronic Co.,Ltd!
Home > Products > Classification by type > Rotary Potentiometers > 9mm Rotary Potentiometers
PRODUCTS
CONTACT US
WH9011A-2T 9mm Rotary Potentiometers
    • WH9011A-2T 9mm Rotary Potentiometers
PRODUCT INFORMATION

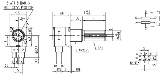
Outline Drawing




ELECTRICAL CHARACTERISTICS

Item

Item

Specification

1.1

Resistance value and tolerance of resistance 

A10K±20%

1.2

Load power

0.05 W

1.3

Rotational noise

47mV max

1.4

Insulation Resistance

>100MΩ  At  300V  DC

1.5

Withstanding Voltage

>1Minute   At  250V  AC

1.6

Max rated voltage

50V AC

1.7

Tracking error


1.8

Residual resistance                  

R1,2<10Ω; R2,3<10Ω

1.9

Switch contact resistance

0.05Ω

1.10

Switch power

DC16V1A

MECHANICAL CHARACTERISTICS

2.1

Dimensions

Refer to the separate product drawing

2.2

Total rotation angle

300±5°

2.3

Rotational Torque 

20~200gf.cm

2.4

Switch working angle

≤50°

2.5

Switch torque

50~300gf.cm

2.6

Shaft Push Pull Strength

≥4kgf

2.7

Click slip-out force


2.8

Shaft Wobble (mm p-p)

≤0.3mm

2.9

Shaft Stop Strength

>5kg.cm

DURABILITY CHARACTERISTICS

3.1

Rotating life

10,000 cycles

3.2

Storage Temperature Range

-30℃~+80℃

3.3

Operation Temperature Range 

-20℃~+70℃

3.4

Soldering Heat Characteristic

260°C/2.5±0.5S


Type of shaft


INQUIRY NOW
Message *
Name *
Phone
Email *
Verification code *