Welcome to Changzhou Kainar Electronic Co.,Ltd!
Home > Products > Classification by type > Slide potentiometers
PRODUCTS
CONTACT US
WH29 Slide potentiometers
    • WH29 Slide potentiometers
    • WH29 Slide potentiometers
PRODUCT INFORMATION

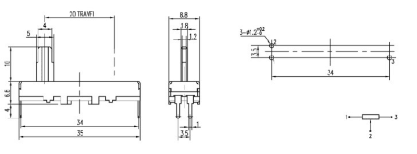
Outline Drawing

Specifications

Model

WH20

Tolerance of resistance

±20%

Operating force

20-200gf.cm

Resistance (law) taper

A B C D W

Insulation resistance

10Mohm Min AT 250V DC

Withstand Voltage

1Min.AT 250V AC

Operating force

10-120gf.cm

Sliding life

10,000Cycles


INQUIRY NOW
Message *
Name *
Phone
Email *
Verification code *