Welcome to Changzhou Kainar Electronic Co.,Ltd!
Home > Products > Classification by type > Rotary Potentiometers > Rotary Potentiometers with switch
PRODUCTS
CONTACT US
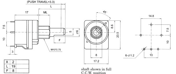
WH16AK-1 Rotary Potentiometers with switch
    • WH16AK-1 Rotary Potentiometers with switch
    • WH16AK-1 Rotary Potentiometers with switch
PRODUCT INFORMATION

Outline Drawing

INQUIRY NOW
Message *
Name *
Phone
Email *
Verification code *