Welcome to Changzhou Kainar Electronic Co.,Ltd!
Home > Products > Classification by use > Communication
PRODUCTS
CONTACT US
EC11-1-18T
    • EC11-1-18T
    • EC11-1-18T
PRODUCT INFORMATION

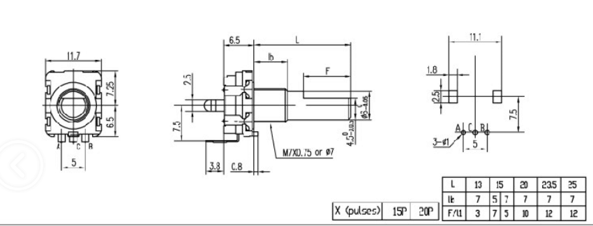
OUTLINE DRAWING  

SPECIFICATIONS

Type

型号

EC11

Power   Rating

额定功率

DC5V  5Ma

Detent   torque

定位点脱出力

40-80gf.cm

Rotation   life(cycles)

回转寿命

30000cycles

Insulation   resistance

绝缘阻抗

DC50V/100Mohm   min

Withstand   voltage

耐电压

AV100V/1minute

Switch   Ratings

开关额定功率

DC5V 10Ma

Switch   Operating force

开关操作力

600±20gf

Switch   contact resistance

开关接触电阻

≤200mohm

Travel of   switch

按压开关位移量

0.5±0.3mm

 

Switch   life

开关寿命

10,0000cycles



INQUIRY NOW
Message *
Name *
Phone
Email *
Verification code *